Trong lĩnh vực tự động hóa công nghiệp, hệ thống khí nén đóng vai trò then chốt trong việc truyền động và điều khiển. Để thiết kế, vận hành và bảo trì hiệu quả các hệ thống này, việc hiểu rõ ký hiệu các loại van khí nén là vô cùng quan trọng. Bài viết này sẽ đi tìm hiểu các ký hiệu van khí nén phổ biến nhất hiện nay.
Ký hiệu các loại van khí nén là gì?
Ký hiệu các loại van khí nén là những biểu tượng, quy ước được sử dụng để thể hiện chức năng, loại van, số lượng cổng, hướng dòng khí và các thông tin kỹ thuật liên quan.
Việc hiểu rõ các ký hiệu giúp bạn dễ dàng hơn trong quá trình thiết kế, bảo trì cũng như sửa chữa hệ thống khí nén.
Ngày nay, các ký hiệu khí nén đã được chuẩn hóa hơn và được thống nhất sử dụng chung bởi nhà sản xuất. Các ký hiệu được thiết kế đơn giản, dễ đọc giúp người đọc dễ dàng, nhanh chóng nhận diện và hình dung được thiết bị thông qua bản vẽ kỹ thuật.
Trong một sơ đồ khí nén, thường có nhiều loại van khác nhau và mỗi loại đều đảm nhiệm một chức năng riêng, đi kèm với những ký hiệu đặc trưng để phân biệt.
Ý nghĩa của ký hiệu van khí nén
Ký hiệu các loại van khí nén hiện nay đóng vai trò quan trọng giúp đại diện cho các thiết bị được sử dụng trong hệ thống ống dẫn khí, thường xuất hiện trong các sơ đồ kỹ thuật và bảng điều khiển.
Việc kết hợp các ký hiệu của nhiều loại van khác nhau cho phép người xem dễ dàng hình dung cách thức vận hành của từng khu vực trong hệ thống và cách chúng phối hợp với nhau để vận hành toàn bộ thiết bị.
Bên cạnh đó, các ký hiệu còn giúp đơn giản hóa quá trình thiết kế sơ đồ mạch khí nén, ngoài ra còn giúp hỗ trợ giao tiếp hiệu quả giữa các kỹ sư trong lĩnh vực kỹ thuật khí nén.
Ký hiệu các loại van khí nén
Hiện nay có rất nhiều loại van khác nhau, mỗi một loại van có vai trò và ký hiệu riêng. Dưới đây là các ký hiệu các loại van khí nén phổ biến hiện nay:
1. Ký hiệu van 1 chiều khí nén
Van khí nén 1 chiều được lắp đặt tại nhiều vị trí trên đường ống dẫn, van khí nén 1 chiều có vai trò giúp kiểm soát chỉ cho dòng khí nén di chuyển theo 1 chiều nhất định, ngăn chặn dòng khí nén đi theo hướng ngược lại. Điều này giúp hệ thống tránh xảy ra tình trạng quá tải, tụt xilanh nếu trọng tải quá lớn.
Ký hiệu của van 1 chiều khí nén:

2. Ký hiệu van tiết lưu khí nén
Van tiết lưu là loại van được sử dụng để điều chỉnh lưu lượng chất lỏng trong hệ thống thủy lực. Nhờ khả năng điều chỉnh này, van kiểm soát tốc độ hoạt động của xi lanh thủy lực hoặc các thiết bị chấp hành khác.
Nguyên lý hoạt động của van tiết lưu dựa trên việc thay đổi tiết diện dòng chảy đi qua van. Khi tiết diện mở rộng, lưu lượng chất lỏng tăng lên. Ngược lại, khi tiết diện thu hẹp, lưu lượng giảm xuống. Qua đó giúp kiểm soát chính xác quá trình vận hành của hệ thống thủy lực. Ký hiệu van tiết lưu khí nén được chia làm 3 loại:
Ký hiệu van tiết lưu không thay đổi tiết diện:

Ký hiệu van tiết lưu thay đổi tiết diện:

Ký hiệu van tiết lưu 1 chiều:

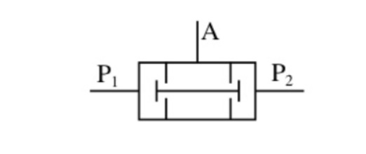
3. Ký hiệu van giảm áp khí nén
Van giảm áp khí nén được dùng để điều chỉnh áp suất làm việc trong hệ thống, giúp áp suất ở cửa ra của van sẽ luôn thấp hơn so với áp suất đầu vào.
Van giúp hệ thống hoạt động được ổn định, bảo vệ các thiết bị khỏi nguy cơ hỏng hóc do áp suất quá cao.
Ký hiệu van giảm áp khí nén:

4. Ký hiệu van an toàn khí nén
Van an toàn khí nén có chức năng duy trì áp suất hệ thống luôn ở mức an toàn, không vượt quá ngưỡng cài đặt.
Khi áp suất tăng cao bất thường, van sẽ tự động mở để xả khí, giảm áp suất cho đến khi trở về mức an toàn đã định. Chức năng này đảm bảo an toàn cho hệ thống bằng cách ngăn chặn tình trạng quá áp.
Ký hiệu van an toàn khí nén:

5. Ký hiệu van logic OR khí nén
Van logic OR là một loại van khí nén dùng để điều khiển dòng khí khi một trong hai cổng cấp khí P1 hoặc P2. Đây là loại van thường được sử dụng trong các hệ thống điều khiển có nhiều tín hiệu đầu vào, nhưng chỉ cần một tín hiệu đủ để vận hành thiết bị.
Ký hiệu van logic OR khí nén:

6. Ký hiệu van logic AND khí nén
Van logic AND là một thiết bị khí nén chuyên dụng, cho phép dòng khí đi qua khi cả hai cổng vào đều đồng thời có áp suất khí nén. Nếu chỉ có một trong hai cổng có khí, van sẽ không mở và dòng khí sẽ không được dẫn đến cổng ra.
Van logic AND thường được ứng dụng trong các dây chuyền sản xuất tự động, hệ thống khóa liên động và các hệ thống điều khiển khí nén có yêu cầu kiểm soát chặt chẽ về điều kiện vận hành.
Ký hiệu van logic AND khí nén:

7. Ký hiệu van đảo chiều 3/2 khí nén
Van đảo chiều 3/2 là một loại van phân phối có hai vị trí hoạt động trái – phải và ba cửa kết nối. Trạng thái hoạt động của van sẽ thay đổi khi nhận được tín hiệu điều khiển được cấp vào.
Ở trạng thái 1, van cho phép khí nén hoặc dầu thủy lực đi vào khoang bên trái của xi lanh, đồng thời, cửa xả được đóng lại. Nhờ đó, van có thể kiểm soát chuyển động của xi lanh một cách rõ ràng theo hướng đã định.
Khi van chuyển sang trạng thái khác cửa cấp chất lỏng sẽ đóng và cửa làm việc sẽ thông với cửa xả, cho phép chất lỏng từ cơ cấu chấp hành thoát ra ngoài.
Van 3/2 đặc biệt phù hợp để điều khiển các xi lanh tác động đơn, nơi chỉ cần điều khiển chuyển động theo một hướng và lò xo hoặc trọng lực đảm nhận việc hồi về.
Ký hiệu van đảo chiều 3/2 khí nén:

8. Ký hiệu van đảo chiều 4/3 khí nén
Van thủy lực 4/3 là một trong những loại van điều khiển phổ biến nhất hiện nay, với thiết kế gồm 4 cửa dầu và 3 vị trí làm việc:
- Cửa P: Cửa dầu vào
- Cửa T: Cửa dầu xả
- Cửa A và B: Hai cửa làm việc nối với xi lanh hoặc thiết bị chấp hành
Tùy thuộc vào vị trí của lõi van, dầu thủy lực sẽ được dẫn đến hoặc xả về từ cửa A hoặc B. Khi lõi van dịch chuyển sang trái hoặc phải, nó sẽ điều hướng dòng dầu để tạo chuyển động cho xi lanh theo hướng mong muốn.
Trong trường hợp lõi van ở vị trí giữa van ở trạng thái trung tính, không cho dầu vào hoặc thoát ra khỏi xi lanh, khiến xi lanh dừng lại. Lúc này, các cửa P, T, A, B có thể bị khóa hoặc được nối thông nhau, tùy thuộc vào kiểu cấu hình lõi van.
Ký hiệu van đảo chiều 4/3 khí nén:

9. Ký hiệu van phân phối 5/2 khí nén
Van khí nén 5/2 là một van phân phối hai vị trí với năm cửa hoạt động giúp thúc đẩy sự di chuyển của xi lanh một cách hiệu quả, đảm bảo tốc độ và độ chính xác. Tương tự về chức năng điều khiển dòng chảy với van 4/3 hoặc van 3/2. Van này được thiết kế để điều khiển hiệu quả sự di chuyển liên tục của xi lanh, đảm bảo tốc độ và độ chính xác cao.
Van gồm 1 cửa cấp khí, 2 cửa làm việc nối với xi lanh và 2 cửa xả để dẫn khí ra ngoài. Khi van ở vị trí đầu tiên, khí nén sẽ đi từ cửa P đến cửa A để đẩy xi lanh, còn khí tại cửa B sẽ thoát ra ngoài qua cửa xả tương ứng.
Khi chuyển sang vị trí thứ hai, quá trình sẽ đảo chiều khí nén đi vào cửa B, đẩy xi lanh theo hướng ngược lại, còn khí từ cửa A sẽ được xả ra ngoài.
Với khả năng điều khiển hướng hiệu quả và chu kỳ làm việc nhanh, van 5/2 rất phù hợp trong các hệ thống khí nén tự động hóa, đặc biệt là nơi yêu cầu điều khiển chính xác chuyển động tịnh tiến của xi lanh hai chiều.
Ký hiệu van phân phối 5/2 khí nén:

10. Ký hiệu van 2/2 chiều khí nén
Van 2/2 chiều đóng ở vị trí bình thường:

Van 2/2 chiều mở vị trí bình thường:

Van 3/2 chiều đóng ở vị trí bình thường:

11. Ký hiệu van 5/3 chiều khí nén
Tương tự như các loại van phân phối khác , van phân phối 5/3 gồm 2 cửa làm việc, 1 cửa vào, 2 cửa xả. Với khả năng kiểm soát 3 vị trí trái, phải và giữa, van có thể điều khiển xi lanh thực hiện các chức năng như tiến, lùi và đứng yên một cách linh hoạt.
Chính nhờ những điều đó giúp van 5/3 chiều khí nén được ứng dụng trong hầu hết các hệ thống truyền động sử dụng khí nén.
Ký hiệu van 5/3 chiều khí nén:

12. Ký hiệu van điều chỉnh lưu lượng có thể điều chỉnh

13. Ký hiệu van cổng khí nén
Ký hiệu van cổng khí nén còn được gọi là ký hiệu van cửa, được sử dụng để thể hiện vị trí và trạng thái làm việc của van trong hệ thống đường ống.
Tùy theo tiêu chuẩn và quy ước của từng quốc gia hoặc tổ chức kỹ thuật, ký hiệu van cổng có thể được thể hiện dưới nhiều dạng khác nhau. Các ký hiệu này giúp nhận biết rõ ràng van đang ở trạng thái mở hay đóng, đồng thời thể hiện phương thức điều khiển mà van sử dụng để vận hành.
Ký hiệu van cổng khí nén:

14. Ký hiệu van bi khí nén
Giống như van cổng khí nén ký hiệu van bi khí nén được ra bằng cách thêm một hình vòng, đại diện cho viên bi nằm giữa hai hình tam giác của các ký hiệu van chung.
Ký hiệu van bi khí nén:

15. Ký hiệu van cầu khí nén
Van cầu, hay còn gọi là Globe Valve trong tiếng Anh do thiết kế thân van có dạng hình cầu. Cấu tạo van gồm hai phần thân được ngăn cách bởi một bộ phận điều tiết dòng chảy, giúp kiểm soát lưu lượng chất lỏng đi qua hệ thống.
Chức năng chính của van là điều chỉnh lưu lượng dòng chảy của chất lỏng một cách chính xác. Tùy theo yêu cầu lắp đặt, van có thể được gắn kết theo ba kiểu phổ biến: lắp bích, lắp hàn và lắp ren.
Ký hiệu van cầu khí nén:

16. Ký hiệu van bướm khí nén
Van bướm, tiếng Anh gọi là butterfly valve, được thiết kế với cấu tạo giống cánh bướm, cho phép đóng, mở hoặc điều tiết dòng chảy bằng cách xoay đĩa van quanh trục tại nhiều góc độ khác nhau.
Van bướm có nhiều loại tùy theo cơ chế điều khiển như: van bướm tay gạt, van bướm tay quay, van bướm điều khiển khí nén và van bướm điều khiển điện.
Trong bản vẽ kỹ thuật, van bướm thường được ký hiệu bằng hai đường song song đại diện cho kết nối, với một đường chéo ở giữa tượng trưng cho đĩa van. Chấm tròn nằm ở tâm đường chéo biểu thị trục quay của đĩa van.
Ký hiệu van bướm khí nén:

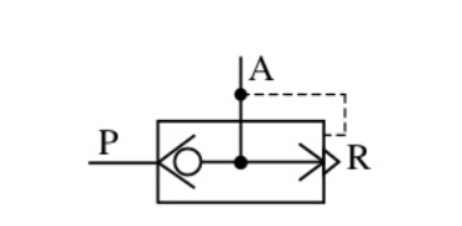
17. Ký hiệu van xả khí nhanh khí nén
Van xả khí nhanh khí nén hay còn có tên gọi khác là van xả tự động nhằm tăng tốc độ xả khí đồng thời giúp giảm áp suất khí trong thời gian ngắn, khi van đang trong quá trình vận hành.
Thông thường, van xả khí nhanh khí nén thường được sử dụng để cải thiện hiệu suất của các loại xi lanh khí nén.
Ký hiệu van xả khí nhanh khí nén:

Trên đây là tổng hợp ký hiệu các loại van khí nén được sử dụng phổ biến nhất hiện nay. Mong rằng với những thông tin trên giúp bạn biết được các loại ký hiệu của van khí nén và có thể đọc hay thiết kế các bản vẽ sơ đồ hệ thống thủy lực dễ dàng hơn.
Nếu bạn cần tìm mua các loại bộ nguồn thủy lực, van khí nén,…Hãy liên hệ ngay với chúng tôi để được tham khảo, tư vấn và báo giá cụ thể nhất nhé!
Thông tin liên hệ:
Công ty TNHH Kỹ thuật D&S Việt Nam
Địa chỉ: Số 4 ngõ 283 Phố Yên Duyên – Phường Yên Sở – Quận Hoàng Mai – TP Hà Nội
Trụ sở công ty: Thôn Lâm Hộ, Xã Thanh Lâm, Huyện Mê Linh, Thành phố Hà Nội, Việt Nam
Hotline: 0979 436 075
Email: thuykhidiends@gmail.com
Facebook: https://www.facebook.com/thuykhi331
Website: https://thuyluckhinends.com/
