Trong các hệ thống tự động hiện đại, khí nén đóng vai trò quan trọng trong việc truyền động và điều khiển các cơ cấu chấp hành. Việc nắm vững các nguyên tắc bố trí, ký hiệu, phân tầng và tuần tự hoạt động giúp người thiết kế và kỹ thuật viên dễ dàng theo dõi, kiểm tra, đồng thời đảm bảo hệ thống vận hành ổn định, chính xác. Hãy cùng chúng tôi tìm hiểu chi tiết qua bài viết sơ đồ mạch điều khiển khí nén này nhé.
Nguyên tắc thiết kế mạch điều khiển khí nén
Khi thiết kế hệ thống hoặc sơ đồ điều khiển bằng khí nén cần tuân theo các nguyên tắc sau:
Quy tắc cơ bản trong sơ đồ mạch khí nén:
- Trong trường hợp không có nguồn cung cấp áp suất mạch khí nén duy trì ở trạng thái tĩnh thì các thành phần khí nén khác trong mạch cũng tuân theo giả định này.
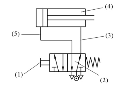
- Biểu tượng của van khí nén được thể hiện bằng một hoặc nhiều hình vuông đầu vào khí và đầu xả đặt phía dưới hình vuông còn cổng ra đặt phía trên.
- Mỗi trạng thái của van được biểu thị bằng một hình vuông nếu van có nhiều trạng thái các hình vuông được sắp xếp theo chiều ngang và hình vuông bên trái luôn thể hiện trạng thái ban đầu của van. Mũi tên sử dụng để chỉ hướng dòng chảy của dòng khí nén.


- Ký hiệu dòng khí: Mũi tên dùng để biểu thị hướng di chuyển của dòng khí nén, ký hiệu “┬” thể hiện cổng ngoài không kết nối hoặc bị chặn, biểu tượng “⊙” đặt dưới hình vuông thể hiện đầu vào khí nén, biểu tượng “▽” thể hiện đường xả khí, hình tam giác chỉ hướng chuyển động của luồng khí.

Ký hiệu cơ cấu tác động lên van được vẽ bên ngoài hình vuông một số dạng tác động thường gặp: nút nhấn, tay kéo, con lăn, áp suất chênh lệch, cuộn điện từ,…

Nguyên tắc cơ bản khi vẽ sơ đồ khí nén:
- Trong trạng thái không có tác động từ công tắc thủ công lực đàn hồi của lò xo sẽ tự động đẩy van trở về vị trí mặc định ban đầu.
- Tại vị trí đó van liên kết với đường dẫn khí nén giúp áp suất không khí được giữ ổn định dọc theo ống nhờ sự cấp khí từ nguồn.
- Khoang xi lanh phía sau cùng với đường dẫn khí được nối với ống xả nơi khí nén được xả ra ngoài môi trường.

Vẽ sơ đồ mạch khí nén:
- Sơ đồ mạch khí nén hoàn chỉnh thường được trình bày theo kiểu phân tầng được sắp xếp thành từng cấp bậc rõ ràng. Cách bố trí này giúp thể hiện rõ mối liên hệ qua lại giữa các bộ phận trong toàn hệ thống.
- Một sơ đồ mạch điển hình thường được chia thành ba cấp chính: phần chấp hành, phần điều khiển logic, phần tín hiệu đầu vào. Điều này giúp việc đọc, phân tích mạch trở nên dễ dàng hơn mà còn hỗ trợ tốt trong quá trình bảo dưỡng, sửa chữa và cải tiến hệ thống.


Nguyên tắc thiết kế mạch điều khiển khí nén theo tầng
Phương pháp thiết kế mạch điều khiển theo tầng là phương pháp phân tầng chia các bước có cùng chức năng thành các tầng riêng biệt.
Khi mạch hoạt động nguồn khí nén hoặc tín hiệu chỉ được cấp cho tầng đang thực hiện chuyển động. Trong khi các tầng còn lại tạm thời không được cung cấp đảm bảo an toàn và tránh xung đột trong mạch.
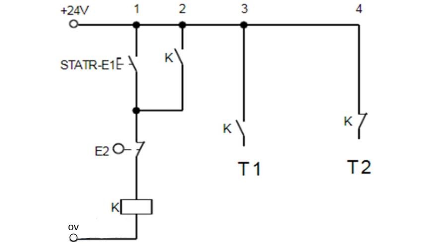
Phần tử cơ bản trong điều khiển theo tầng là phần tử nhớ giúp ghi nhớ trạng thái và duy trì hoạt động của từng tầng cho đến khi tầng kế tiếp được kích hoạt.
Nguyên lý điều khiển theo tầng:
Mạch điều khiển khí nén theo tầng thường được chia thành hai nhóm chính:
- Nhóm cơ cấu chấp hành: Gồm các xi lanh tạo ra chuyển động cơ học, các tiếp điểm relay trung gian để ghi nhớ trạng thái hoạt động và công tắc hành trình dùng để chuyển đổi trạng thái của xi lanh tương ứng.
- Nhóm đảo tầng: Là các công tắc hành trình tác động lên các relay có nhiệm vụ chuyển mạch giữa các tầng.
Trường hợp sơ đồ trạng thái được chia thành n tầng:
- Ban đầu nguồn khí nén ở nhóm đảo tầng sẽ được đặt tại tầng cao nhất.
- Khi nhấn START tín hiệu sẽ kích hoạt tầng thứ 1 sau khi tất cả các chuyển động trong tầng này hoàn tất công tắc hành trình cuối tầng 1 sẽ gửi tín hiệu, chuyển nguồn lên tầng thứ 2.
- Quy trình này tiếp tục tuần tự cho đến khi các chuyển động trong từng tầng được thực hiện đầy đủ.
- Ở cuối tầng 1 tín hiệu sẽ tác động trở lại vào công tắc hành trình của tầng thứ n,đảm bảo quá trình tuần tự giữa các tầng được duy trì và kết thúc chính xác.
Nguyên tắc chia tầng trong mạch điều khiển khí nén:
- Mỗi cơ cấu chấp hành được đánh ký hiệu bằng các chữ cái: A, B, C, D… để dễ theo dõi và phân biệt trong sơ đồ.
- Chuyển động ra ngoài của piston hoặc cơ cấu chấp hành được ký hiệu bằng dấu (+) và chuyển động rút vào hoặc di chuyển trở về được ký hiệu bằng dấu (-).
- Lưu ý mặc dù một tầng có thể bao gồm nhiều xi lanh cùng hoạt động thể hiện các thao tác song song hoặc tuần tự. Tuy nhiên, mỗi xi lanh chỉ được xuất hiện một lần trong sơ đồ để tránh nhầm lẫn và đảm bảo tính logic của mạch, không được phép xuất hiện hai lần trong cùng một tầng.
Biểu diễn hệ thống đảo tầng:
Khi sơ đồ hành trình được chia thành n tầng, để quản lý tuần tự giữa các tầng sẽ cần tổng cộng (n-1) phần tử nhớ thường được thực hiện bằng các relay trung gian. Mỗi tầng có tín hiệu đầu vào và tín hiệu đầu ra

Ví dụ: Bài tập thực hành thiết kế mạch điều khiển khí nén theo tầng
Tầng 1 có tín hiệu vào E1 và tín hiệu ra T1, tầng 2 có tín hiệu vào E2 và tín hiệu ra T2 và tương tự cho các tầng tiếp theo.
Cách thiết lập sơ đồ mạch điều khiển khí nén theo tầng:
Bước 1: Lập biểu đồ trạng thái và phân tầng
- Chia toàn bộ quá trình thành các tầng theo tuần tự mỗi tầng.
Bước 2: Xác định các tín hiệu điều khiển và công tắc hành trình
- Xác định tín hiệu đầu vào và đầu ra cho từng tầng, chọn các công tắc hành trình để phát hiện vị trí xi lanh và truyền tín hiệu sang tầng kế tiếp.
Bước 3: Vẽ sơ đồ mạch
- Sơ đồ mạch khí nén theo tầng thường gồm ba phần: mạch động lực, mạch khí nén, mạch điều khiển.
Như vậy, sơ đồ mạch điều khiển khí nén không chỉ là công cụ minh họa các thành phần và đường dẫn khí còn là cơ sở để thiết kế, vận hành và bảo trì hệ thống một cách hiệu quả. Mong rằng với những chia sẻ trên của Thủy Lực Khí Nén D&S giúp bạn có cái nhìn tổng quan hơn. Nếu còn bất kỳ câu hỏi thắc mắc vui lòng liên hệ với chúng tôi để được tư vấn và giải đáp nhé.
Thông tin liên hệ:
- Công ty TNHH Kỹ thuật D&S Việt Nam
- Địa chỉ: Số 4 ngõ 283 Phố Yên Duyên – Phường Yên Sở – Quận Hoàng Mai – TP Hà Nội
- Trụ sở công ty: Thôn Lâm Hộ, Xã Thanh Lâm, Huyện Mê Linh, Thành phố Hà Nội, Việt Nam
- Hotline: 0979 436 075
- Email: thuykhidiends@gmail.com
- Facebook: https://www.facebook.com/thuykhi331
- Website: https://thuyluckhinends.com/
